ir2101半桥电源电路图
1
拍明芯城
IR2101半桥驱动电源电路图及工作原理详解
在现代电力电子系统中,半桥驱动电路是一种非常常见且重要的拓扑结构,广泛应用于开关电源、逆变器、电机驱动、电磁加热、电源转换器以及各种工业自动化设备中。为了实现高效率、高可靠性的功率控制,通常需要专用的MOSFET或IGBT驱动芯片来驱动功率开关器件。其中,IR2101就是一款非常经典且应用广泛的半桥驱动芯片。IR2101能够驱动高边和低边MOSFET,具有高耐压、高驱动能力、结构简单、外围电路少等优点,因此在电源设计中被广泛使用。
本文将从IR2101芯片概述、引脚功能、半桥电源电路结构、电路工作原理、关键参数、设计注意事项以及典型应用等多个方面,对IR2101半桥电源电路图进行系统、全面且深入的介绍,使读者能够充分理解该芯片的工作机制以及在实际工程中的应用方法。

IR2101芯片概述
IR2101是一款高压高速功率MOSFET和IGBT驱动器,由国际整流器公司(International Rectifier)设计生产。该芯片专门用于驱动半桥结构中的两个功率开关管,即高边MOSFET和低边MOSFET。其内部集成了高压侧驱动电路和低压侧驱动电路,同时采用自举(Bootstrap)技术实现高边驱动,从而无需独立的高压电源。
IR2101芯片具有较高的电压耐受能力,其高边驱动通道能够承受高达600V的浮动电压,因此非常适合用于高压开关电源以及逆变电路中。此外,该芯片具有较强的输出驱动能力,可以快速驱动MOSFET的栅极电容,从而提高系统的开关速度并降低开关损耗。
在实际应用中,IR2101常用于以下几类电路:
第一类是开关电源中的半桥拓扑结构,例如半桥LLC谐振电源和半桥PWM电源。
第二类是电机驱动电路,例如无刷直流电机控制器。
第三类是逆变电路,例如UPS逆变器、光伏逆变器以及变频器。
第四类是D类音频功率放大器驱动电路。
由于其结构简单且性能稳定,IR2101在电力电子领域中具有极高的应用价值。

IR2101引脚结构与功能说明
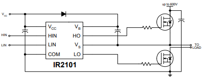
IR2101通常采用SOIC-8或DIP-8封装形式,共有8个引脚,每个引脚都承担着不同的电路功能。在设计半桥电源电路时,正确理解每个引脚的作用非常重要。
1 VCC引脚
VCC是驱动电源输入端,用于为低侧驱动器提供电源电压。通常供电电压为10V至20V,最常见的是12V或15V。该电压用于驱动MOSFET栅极。
2 COM引脚
COM是系统地,也称为低边驱动参考地。低侧MOSFET的源极通常与该引脚相连。
3 IN引脚
IN是输入控制信号端,该引脚接收来自PWM控制器或单片机的控制信号。当输入信号变化时,驱动器会控制高边和低边MOSFET的开关状态。
4 SD引脚
SD是关断控制引脚。当该引脚为低电平时,驱动器会关闭高低边输出,用于实现保护功能。
5 HO引脚
HO是高边栅极驱动输出端,用于驱动高边MOSFET的栅极。
6 VS引脚
VS是高边驱动参考点,同时也是高边MOSFET的源极连接点。该节点是半桥开关节点。
7 VB引脚
VB是高边驱动电源输入端,通过自举电容和二极管实现高边驱动供电。
8 LO引脚
LO是低边栅极驱动输出端,用于驱动低边MOSFET的栅极。
通过这些引脚的配合,IR2101可以实现完整的半桥MOSFET驱动控制。
IR2101半桥电源电路结构
IR2101半桥电源电路主要由以下几个部分组成:
第一部分是驱动芯片IR2101。
第二部分是高边MOSFET和低边MOSFET组成的半桥功率级。
第三部分是自举电源电路。
第四部分是控制信号输入电路。
第五部分是负载和输出滤波电路。
典型的IR2101半桥电源电路结构如下:
高压直流电源的正极连接到高边MOSFET的漏极,高边MOSFET的源极连接到半桥节点,该节点同时连接低边MOSFET的漏极。低边MOSFET的源极接地。半桥节点通过负载连接到输出电路。
IR2101芯片的HO引脚连接高边MOSFET栅极,LO引脚连接低边MOSFET栅极。VB与VS之间连接自举电容,同时VB通过二极管连接到VCC,用于给高边驱动电路充电。
通过控制输入端IN信号,可以实现高边和低边MOSFET交替导通,从而形成PWM输出波形。
IR2101半桥电源电路工作原理
IR2101半桥驱动电路的工作原理主要依赖自举驱动技术。由于高边MOSFET的源极不是固定电位,而是随着半桥节点电压变化,因此无法直接使用普通驱动电源驱动其栅极。为了解决这个问题,IR2101采用了自举供电结构。
当低边MOSFET导通时,半桥节点VS被拉低到接近地电位。此时自举二极管导通,VCC电源通过二极管为自举电容充电,使VB电压接近VCC。
当控制信号切换,高边MOSFET需要导通时,驱动器利用自举电容中的电荷为高边驱动电路供电。此时HO输出高电平,驱动高边MOSFET导通。
在高边MOSFET导通期间,自举电容为驱动电路提供电能。当高边MOSFET关闭后,低边MOSFET再次导通,自举电容重新充电。
通过这种循环充放电过程,可以持续驱动高边MOSFET工作。
IR2101半桥电源电路关键设计要点
在设计IR2101半桥电源电路时,需要注意以下几个关键因素:
自举电容选择
自举电容的容量通常在0.1uF至1uF之间。电容过小可能导致高边驱动电压不足,从而影响MOSFET导通。
自举二极管选择
自举二极管应选用高速恢复二极管或肖特基二极管,以减少反向恢复损耗。
栅极电阻设计
MOSFET栅极通常串联一个10Ω至33Ω电阻,用于限制栅极充放电电流,并减少振荡。
死区时间控制
为了防止上下MOSFET同时导通,需要在控制信号中加入死区时间。
电源去耦
VCC端必须连接去耦电容,通常为0.1uF与10uF并联。
PCB布局
驱动回路应尽量短,以减少寄生电感和噪声。
IR2101半桥电源电路应用实例
IR2101半桥驱动电路在实际应用中非常广泛,以下是几种典型应用。
第一种应用是开关电源。例如半桥LLC谐振电源,通过IR2101驱动两个MOSFET,实现高频开关控制。
第二种应用是电机驱动。例如无刷直流电机驱动器,通过多个半桥组合实现三相驱动。
第三种应用是逆变器。例如光伏逆变器和UPS电源,通过半桥结构实现DC-AC转换。
第四种应用是D类音频功放。通过PWM控制MOSFET,实现高效率音频放大。
这些应用充分说明了IR2101驱动芯片的重要性和实用价值。
IR2101半桥电源电路优势分析
IR2101半桥驱动电路具有许多明显优势。
首先,该芯片能够承受高达600V的高边电压,因此适用于高压系统。
其次,该芯片具有较强的驱动能力,可以快速驱动MOSFET栅极。
第三,IR2101采用自举驱动结构,减少了外部电源需求。
第四,外围电路简单,设计成本低。
第五,芯片具有欠压保护功能,提高系统可靠性。
这些优点使IR2101成为许多电源设计工程师的首选驱动器。
IR2101半桥电源电路设计总结
通过对IR2101半桥电源电路的分析可以看出,该芯片在电力电子系统中具有非常重要的作用。通过合理设计自举电路、栅极驱动电路以及控制信号,可以构建稳定可靠的半桥驱动系统。
在实际工程设计中,需要综合考虑MOSFET参数、开关频率、负载特性以及PCB布局等因素,以确保系统能够长期稳定运行。
随着电力电子技术的发展,半桥驱动电路将继续在开关电源、逆变器、电机控制以及新能源系统中发挥重要作用,而IR2101也将继续成为经典驱动芯片之一。
通过深入理解其工作原理和设计方法,可以大大提高电源系统的效率与可靠性,为现代电子设备提供稳定可靠的电能转换解决方案。
元器件采购上拍明芯城www.iczoom.com
拍明芯城提供型号查询、品牌、价格参考、国产替代、供应商厂家、封装、规格参数、数据手册等采购信息查询PDF数据手册中文资料_引脚图及功能
责任编辑:David
【免责声明】
1、本文内容、数据、图表等来源于网络引用或其他公开资料,版权归属原作者、原发表出处。若版权所有方对本文的引用持有异议,请联系拍明芯城(marketing@iczoom.com),本方将及时处理。
2、本文的引用仅供读者交流学习使用,不涉及商业目的。
3、本文内容仅代表作者观点,拍明芯城不对内容的准确性、可靠性或完整性提供明示或暗示的保证。读者阅读本文后做出的决定或行为,是基于自主意愿和独立判断做出的,请读者明确相关结果。
4、如需转载本方拥有版权的文章,请联系拍明芯城(marketing@iczoom.com)注明“转载原因”。未经允许私自转载拍明芯城将保留追究其法律责任的权利。
拍明芯城拥有对此声明的最终解释权。

产品分类

2012- 2022 拍明芯城ICZOOM.com 版权所有 客服热线:400-693-8369 (9:00-18:00)