2026-02
TL7705CPSR-B具有可编程时间延迟的 5V 系统的单电源电压监控器详解
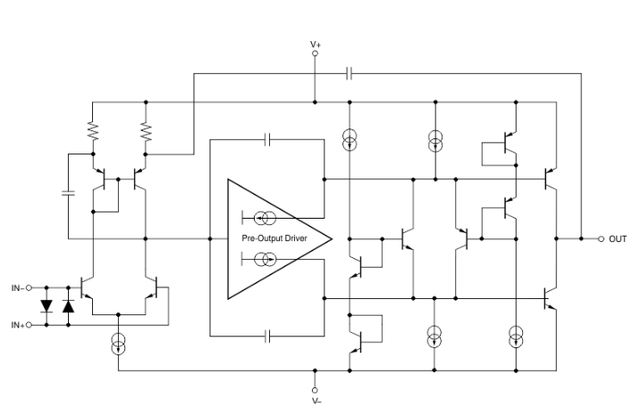
TL7705CPSR-B:具有可编程时间延迟的5V系统单电源电压监控器详解引言在现代电子系统中,电源电压的稳定性对于系统的正常运行至关重要。电压波动或异常可能导致系统崩溃、数据丢失甚至硬件损坏。为了确保系统在电压异常时能够及时响应并采取保护措施,电压监控器成为了不可或缺的组件。TL7705CPSR-B作为一款具有可编程时间延迟的5V系统单......
2026-02
AM625SIP具有 Arm® Cortex®-A53 和集成 LPDDR4 的通用系统级封装详解
AM625SIP:具备Arm® Cortex®-A53与集成LPDDR4的通用系统级封装详解引言在当今快速发展的电子行业中,系统级封装(SiP)技术因其能够集成多种功能模块于单一封装内,从而显著提高系统性能、减小体积并降低成本而备受关注。AM625SIP作为一款集成了Arm® Cortex®-A53处理器核心与LPDDR4内存的通用系统级......
2026-02
AM67具有三路显示、3D 图形、PCIe 3、USB3、4K 视频编解码器且适用于 HMI 的 Arm® Cortex®-A53 SoC详解
AM67:具备三路显示、3D图形、PCIe 3、USB3、4K视频编解码器且适用于HMI的Arm® Cortex®-A53 SoC详解引言随着工业自动化和智能化水平的不断提升,人机交互(HMI)系统在各类工业设备、智能家居、汽车电子等领域的应用日益广泛。作为HMI系统的核心组件,处理器芯片的性能直接影响到系统的整体表现。AM67作为一款集......
2026-02
AM62P具有三路显示、3D 图形、4K 视频编解码器且适用于 HMI 的 Arm®Cortex®-A53 SoC详解
AM62P:具备三路显示、3D图形与4K视频编解码器的HMI专用Arm®Cortex®-A53 SoC深度解析一、AM62P SoC概述AM62P是德州仪器(TI)推出的一款专为人机交互(HMI)设计的低功耗、高性能片上系统(SoC)。它基于Arm®Cortex®-A53架构,集成多核处理器、3D图形处理单元、4K视频编解码器以及丰富的外......
2026-02
TMS320DM642视频/成像定点数字信号处理器详解
TMS320DM642视频/成像定点数字信号处理器详解
引言
随着数字视频和图像处理技术的飞速发展,对高性能数字信号处理器(DSP)的需求日益增长。TMS320DM642作为德州仪器(TI)公司推出的一款高性能视频/成像定点数字信号处理器,凭借其强大的处理能力和丰富的外设接口,在视频监控、视频会议、数字电视、医疗影像等多个领域得到了广泛应......

产品分类




2012- 2022 拍明芯城ICZOOM.com 版权所有 客服热线:400-693-8369 (9:00-18:00)