2026-03
MAX96752的时钟频率是多少
MAX96752的时钟频率特性如下:像素时钟速率:单端口模式:每个端口支持高达150MHz的像素时钟速率,适用于驱动单个高分辨率显示器。双端口模式:在双端口配置下,MAX96752支持高达300MHz的组合像素时钟速率(即两个端口各150MHz),可同时驱动两个显示器或实现双视图分割功能。系统时钟灵活性:支持3Gbps或6Gbps的正向链......
2026-03
MAX96752的功耗是多少
MAX96752的功耗情况如下:低功耗设计:MAX96752在设计上注重低功耗,适合对能耗敏感的应用场景,如汽车电子和便携式设备。其低功耗特性有助于延长设备续航时间并减少热量产生。寄存器状态保留睡眠模式:该器件支持寄存器状态保留睡眠模式,在此模式下功耗可低至<15mW。这一特性使得MAX96752在待机或低负载状态下能够显著降低能耗......
2026-03
MAX96752的价格是多少
MAX96752的价格范围大致在0.30元至205.13元之间,具体价格受购买数量、封装类型、供应商及市场波动等因素影响。以下为详细说明:不同供应商的报价:有供应商提供的MAX96752GTN/V+T价格为90.63元(量产,520u)。另一供应商提供的MAX96752GTN/V+T价格为87.02元(量产,2500u)。还有供应商提供的......
2026-03
MAX96752的缺点和MAX96752相比有什么不同
MAX96752的缺点输出电压稳定性问题:在负载变化频繁或输入电源不稳定的场景下,MAX96752可能遇到输出电压波动或不稳定的问题。这可能由外部反馈网络配置不当、电感饱和、输出电容ESR过高或PCB布局不合理引起。此外,芯片过热保护或频率补偿设置不当也可能导致电压波动。兼容性问题:硬件兼容性:MAX96752对特定参数的外设组件有严格要......
2026-03
max96752的特点
MAX96752的特点如下:视频处理与转换:协议转换:支持单/双链路GMSL串行输入至单/双OLDI(OpenLDI-Display)输出转换,能够灵活适应不同的视频输入输出需求。输出模式多样:OLDI输出可配置为单端口(4/8通道LVDS)或双端口(2×4通道LVDS),每个端口可容纳高达150MHz的像素时钟速率,在双端口模式下支持高......
2026-03
max96752规格书
MAX96752规格书核心内容如下:一、产品概述MAX96752是一款高性能的GMSL2解串器,具备双LVDS(OLDI)输出功能。它能够将单链路或双链路的GMSL™串行输入转换为单路或双路OLDI视频输出,同时支持视频和双向数据的全双工、单线传输。该器件广泛应用于车载电子系统(如仪表盘、HUD、中控屏、后座娱乐屏)、工业机器视觉、医疗影......
2026-03
MAX20087的应用
MAX20087是一款高集成度的双通道或四通道相机电源保护IC,广泛应用于需要高可靠性电源保护的场景,尤其在汽车和工业领域表现突出。以下是其具体应用及优势分析:一、汽车领域应用车载摄像头系统独立保护:每个通道具备独立的电池短路、对地短路和过流保护,单通道故障不影响其他摄像头。低功耗设计:300mA负载下输入到输出电压降仅110mV,减少功......
2026-03
DS18B20的工作原理和结构
DS18B20分辨率可编程设置的1-Wire数字温度计详解DS18B20工作原理DS18B20基于半导体测温元件与Σ-Δ型模数转换器(ADC)实现温度测量,其核心原理是通过测量晶体管基极-发射极电压(Vbe)的负温度系数与热力学温度成正比(PTAT)的电压信号,结合双晶振计数机制实现高精度数字温度输出。具体过程如下:1. 温度测量电路低温......
2026-03
AD9226的采样率是多少
AD9226的采样率为65 MSPS(每秒百万次采样)。作为一款12位分辨率的高速模数转换器(ADC),AD9226采用流水线架构设计,能够在65 MSPS的采样率下实现高精度的信号转换。其内部集成了高性能采样保持放大器和基准电压源,支持差分或单端输入,输入频率范围广泛,可满足多种应用场景的需求。AD9226的采样率特性使其在以下领域具有......
2026-03
AD9226有哪些应用场景
AD9226作为一款高性能、低功耗的12位模数转换器(ADC),其应用场景广泛,主要涵盖以下领域:1.通信系统中频信号采样:AD9226的65 MSPS采样率和12位分辨率使其非常适合通信系统中的中频信号数字化处理。例如,在软件定义无线电(SDR)中,AD9226可用于对QAM调制信号进行高速采样,确保信号的准确性和实时性。基站信号处理:......
2026-03
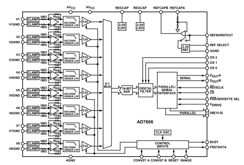
AD7606的应用场景有哪些
AD7606作为一款16位、8通道同步采样模数转换器(ADC),凭借其高精度、多通道同步采样、宽输入电压范围及强抗干扰能力,广泛应用于需要高可靠性数据采集的场景。以下是其典型应用场景及具体说明:1. 工业自动化与控制电机控制:AD7606可同步采集三相电流、电压及温度信号,支持±10V或±5V输入范围,满足电机驱动器中高精度反馈控制需求。......
2026-03
AD7606的模拟输入电压范围是多少
AD7606的模拟输入电压范围可通过RANGE引脚配置为±5V或±10V,具体说明如下:电压范围选择机制RANGE引脚为逻辑输入引脚,高电平(通常接5V或3.3V逻辑电平)时,所有模拟输入通道的电压范围为±10V;低电平(接地)时,范围为±5V。此配置可立即生效,但需注意模拟输入范围切换后存在约80ns的建立时间要求,建议通过硬连线固定设......
2026-03
AD7606的电源电压是多少
AD7606的电源电压情况如下:模拟电源电压(AVCC):范围为4.75V至5.25V,采用5V单电源供电设计,能够处理±10V和±5V的真双极性模拟输入信号。逻辑电源电压(VDRIVE):范围为2.3V至5.25V,为数字接口电路提供工作电压,确保与不同逻辑电平系统的兼容性。设计特点:单电源供电架构:通过集成输入缓冲器和高输入阻抗(1M......

产品分类




2012- 2022 拍明芯城ICZOOM.com 版权所有 客服热线:400-693-8369 (9:00-18:00)