Hi,欢迎来到拍明芯城
|
购物车
(0)
|
会员中心
|
在线客服
(86)400-693-8369
0
卖盘信息
搜卖盘
搜买盘
购物车
0
BOM询价
产品分类
首页
特价专区
品牌
应用
原厂专区
产品文库
电子资讯
技术方案
资料中心
新手指引
投资者关系
您现在的位置:
首页 >
标签 >
BQ41Z90
BQ41Z90
BQ41Z90
分享
相关文章 : 1篇
浏览 : 1次
BQ41Z90 3-16 节串联锂离子高度集成式电池电量计、监测器和保护器详解
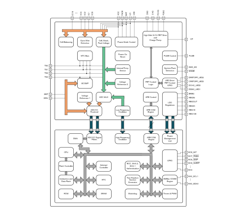
BQ41Z90 3-16节串联锂离子高度集成式电池电量计、监测器和保护器详解引言随着便携式电子设备和电动汽车市场的快速发展,锂离子电池因其高能量密度、长循环寿命和环保特性而成为主流选择。然而,锂离子电池的安全管理和精确电量监测成为一大挑战。BQ41Z90作为一款高度集成化的电池电量计、监测器和保护器,专为3-16节串联锂离子电池组设计,为......
BQ41...
电池电量...
2026-02-24
1
推荐产品
ACM-21-670M-T
品牌:ABRACON
类别:共模扼流圈
XB-PS-11D38GRX
品牌:XIBANG
类别:开关
UA30CAD35NPTI
品牌:CARLO GAVAZZI
类别:接近/占位传感器
WP25D-S028VA1-R8000
品牌:JAE
类别:矩形-板对板连接器
025-0773-001
品牌:ITT CANNON
类别:圆形连接器
列表栏目
工业控制
基于STM32F407ZET6的智能小车...
工业控制
基于STM32F407ZET6的实验室智...
消费电子
Class-D类智能音频功放方案
工业控制
基于WeMos D1 Mini ESP8...
工业控制
基于STM32F103ZET6的简易示波...
相关标签
深圳国际...
ICZO...
ELEX...
五一劳动...
USB控...
以太网
放假通知
EIC
分立器件
继电器
上继电器
晶扬
云母电容...
云母电容...
云母电容
开关三极...
1300...
XCKU...
硬件加速...
Xili...
74LS...
双D触发...
1
下一页
最后一页
购物指南
客户须知
交易须知
常见问题
用户服务协议
支付与配送
汇款须知
其他支付
配送须知
关税须知
售后服务
收货验货
退换货流程
服务投诉
发票须知
特色服务
免费入驻
实用工具
报关报检
关于拍明芯城
关于我们
投资者关系
联系我们
加入拍明芯城
各大手机应用商城搜索“拍明芯城”
下载客户端,随时随地买卖元器件!
广告
广告
广告
广告
产品型号索引:
A
B
C
D
E
F
G
H
I
J
K
L
M
N
O
P
Q
R
S
T
U
V
W
X
Y
Z
0
1
2
3
4
5
6
7
8
9
电子百科
网站地图
友情链接
产品词库
全部标签
文库型号
Copyright
2012- 2022 拍明芯城ICZOOM.com 版权所有 客服热线:400-693-8369 (9:00-18:00)
营业执照