Hi,欢迎来到拍明芯城
|
购物车
(0)
|
会员中心
|
在线客服
(86)400-693-8369
0
卖盘信息
搜卖盘
搜买盘
购物车
0
BOM询价
产品分类
首页
特价专区
品牌
应用
原厂专区
产品文库
电子资讯
技术方案
资料中心
新手指引
投资者关系
您现在的位置:
首页 >
标签 >
AD7609
AD7609
AD7609
分享
相关文章 : 1篇
浏览 : 1次
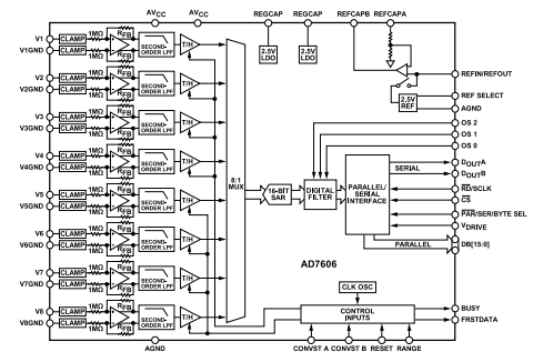
AD7606与AD7609对比
AD7606与AD7609在分辨率、采样率、输入范围、信噪比、功耗、应用场景等方面存在差异,具体对比如下:分辨率:AD7606:16位分辨率,适用于大多数高精度数据采集需求。AD7609:18位分辨率,提供更高的量化精度,适合对精度要求极高的应用。采样率:AD7606:最高采样率为200kSPS(每通道),适用于中高速数据采集。AD760......
AD76...
AD76...
2026-03-02
1
推荐产品
9912800003
品牌:WEIDMULLER
类别:断路器
SGP.1575.25.4.D.02
品牌:TAOGLAS
类别:接收器/收发器/ 缓冲器/驱动器
C1608X7S0J225M080AB
品牌:TDK
类别:电解电容
R463N322000M1M
品牌:KEMET
类别:薄膜电容
A02508
品牌:APEM
类别:其他开关及配件
列表栏目
工业控制
基于DS18B20的单总线数字温度计
工业控制
LM331与PIC16F73单片机实现数...
工业控制
新一代智能变电站整体设计方案
消费电子
适用于无人机ESC的无传感器高速FOC的...
工业控制
基于STM32H750微控制器的数据采集...
相关标签
深圳国际...
ICZO...
ELEX...
五一劳动...
USB控...
以太网
放假通知
EIC
分立器件
继电器
上继电器
晶扬
云母电容...
云母电容...
云母电容
开关三极...
1300...
XCKU...
硬件加速...
Xili...
74LS...
双D触发...
1
下一页
最后一页
购物指南
客户须知
交易须知
常见问题
用户服务协议
支付与配送
汇款须知
其他支付
配送须知
关税须知
售后服务
收货验货
退换货流程
服务投诉
发票须知
特色服务
免费入驻
实用工具
报关报检
关于拍明芯城
关于我们
投资者关系
联系我们
加入拍明芯城
各大手机应用商城搜索“拍明芯城”
下载客户端,随时随地买卖元器件!
广告
广告
广告
广告
产品型号索引:
A
B
C
D
E
F
G
H
I
J
K
L
M
N
O
P
Q
R
S
T
U
V
W
X
Y
Z
0
1
2
3
4
5
6
7
8
9
电子百科
网站地图
友情链接
产品词库
全部标签
文库型号
Copyright
2012- 2022 拍明芯城ICZOOM.com 版权所有 客服热线:400-693-8369 (9:00-18:00)
营业执照