Hi,欢迎来到拍明芯城
|
购物车
(0)
|
会员中心
|
在线客服
(86)400-693-8369
0
卖盘信息
搜卖盘
搜买盘
购物车
0
BOM询价
产品分类
首页
特价专区
品牌
应用
原厂专区
产品文库
电子资讯
技术方案
资料中心
新手指引
投资者关系
您现在的位置:
首页 >
标签 >
AWR2188
AWR2188
AWR2188
分享
相关文章 : 1篇
浏览 : 1次
AWR2188采用封装上装载 (LoP) 技术的单芯片 8RX/8TX 可级联 ...
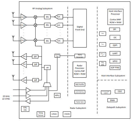
AWR2188:采用封装上装载(LoP)技术的单芯片8RX/8TX可级联76GHz至81GHz收发器详解引言在汽车电子领域,自动驾驶和高级驾驶辅助系统(ADAS)的快速发展对雷达传感器的性能和集成度提出了极高要求。毫米波雷达凭借其能够在恶劣天气条件下稳定工作、提供高精度距离和速度测量等优势,成为汽车感知系统的关键组成部分。AWR2188作......
AWR2...
2026-02-28
1
推荐产品
M85049/43S20N
品牌:GLENAIR
类别:其他连接器
3NT01L-H7925
品牌:SENSATA
类别:温度传感器/变送器/温度开关
E14-00M
品牌:ZF
类别:其他开关及配件
1S11-16
品牌:APEM
类别:配件-帽盖
XB-USB-3.0-AF-9P-F
品牌:XIBANG
类别:电源插座
列表栏目
消费电子
Class-D类智能音频功放方案
工业控制
基于WeMos D1 Mini ESP8...
汽车电子
基于ESP8266的倒车雷达预警系统设计...
工业控制
LM331与PIC16F73单片机实现数...
消费电子
适用于无人机ESC的无传感器高速FOC的...
相关标签
深圳国际...
ICZO...
ELEX...
五一劳动...
USB控...
以太网
放假通知
EIC
分立器件
继电器
上继电器
晶扬
云母电容...
云母电容...
云母电容
开关三极...
1300...
XCKU...
硬件加速...
Xili...
74LS...
双D触发...
1
下一页
最后一页
购物指南
客户须知
交易须知
常见问题
用户服务协议
支付与配送
汇款须知
其他支付
配送须知
关税须知
售后服务
收货验货
退换货流程
服务投诉
发票须知
特色服务
免费入驻
实用工具
报关报检
关于拍明芯城
关于我们
投资者关系
联系我们
加入拍明芯城
各大手机应用商城搜索“拍明芯城”
下载客户端,随时随地买卖元器件!
广告
广告
广告
广告
产品型号索引:
A
B
C
D
E
F
G
H
I
J
K
L
M
N
O
P
Q
R
S
T
U
V
W
X
Y
Z
0
1
2
3
4
5
6
7
8
9
电子百科
网站地图
友情链接
产品词库
全部标签
文库型号
Copyright
2012- 2022 拍明芯城ICZOOM.com 版权所有 客服热线:400-693-8369 (9:00-18:00)
营业执照