Hi,欢迎来到拍明芯城
|
购物车
(0)
|
会员中心
|
在线客服
(86)400-693-8369
0
卖盘信息
搜卖盘
搜买盘
购物车
0
BOM询价
产品分类
首页
特价专区
品牌
应用
原厂专区
产品文库
电子资讯
技术方案
资料中心
新手指引
投资者关系
您现在的位置:
首页 >
标签 >
THS4567
THS4567
THS4567
分享
相关文章 : 1篇
浏览 : 9次
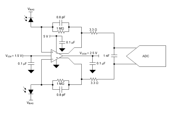
THS4567具有 VICM 和 VOCM 控制的 220MHz CMOS 输入...
THS4567:具有VICM和VOCM控制的220MHz CMOS输入全差分放大器深度解析在高速信号处理与精密测量领域,全差分放大器(Fully Differential Amplifier, FDA)因其卓越的共模抑制能力、低噪声特性及高线性度,成为驱动模数转换器(ADC)、光电传感器接口等应用的核心器件。THS4567作为德州仪器(T......
THS4...
全差分放...
2026-02-05
9
推荐产品
XB-DIN-111
品牌:XIBANG
类别:开关
XB-SK-18E06-L
品牌:XIBANG
类别:开关
HHM1591A2
品牌:TDK
类别:其他无源元件
SIT8008BC-13-33E-20.000000D
品牌:SITIME
类别:晶体
AXE530127D
品牌:PANASONIC
类别:矩形-板对板连接器
列表栏目
工业控制
6种线束设计阶段降成本方案
工业控制
基于STM32F407ZET6的智能小车...
工业控制
基于STM32F407ZET6的实验室智...
消费电子
Class-D类智能音频功放方案
工业控制
基于STM32F042单片机的大口径望远...
相关标签
深圳国际...
ICZO...
ELEX...
五一劳动...
USB控...
以太网
放假通知
EIC
分立器件
继电器
上继电器
晶扬
云母电容...
云母电容...
云母电容
XCKU...
硬件加速...
Xili...
开关三极...
1300...
74LS...
双D触发...
1
下一页
最后一页
购物指南
客户须知
交易须知
常见问题
用户服务协议
支付与配送
汇款须知
其他支付
配送须知
关税须知
售后服务
收货验货
退换货流程
服务投诉
发票须知
特色服务
免费入驻
实用工具
报关报检
关于拍明芯城
关于我们
投资者关系
联系我们
加入拍明芯城
各大手机应用商城搜索“拍明芯城”
下载客户端,随时随地买卖元器件!
广告
广告
广告
广告
产品型号索引:
A
B
C
D
E
F
G
H
I
J
K
L
M
N
O
P
Q
R
S
T
U
V
W
X
Y
Z
0
1
2
3
4
5
6
7
8
9
电子百科
网站地图
友情链接
产品词库
全部标签
文库型号
Copyright
2012- 2022 拍明芯城ICZOOM.com 版权所有 客服热线:400-693-8369 (9:00-18:00)
营业执照