Hi,欢迎来到拍明芯城
|
购物车
(0)
|
会员中心
|
在线客服
(86)400-693-8369
0
卖盘信息
搜卖盘
搜买盘
购物车
0
BOM询价
产品分类
首页
特价专区
品牌
应用
原厂专区
产品文库
电子资讯
技术方案
资料中心
新手指引
投资者关系
您现在的位置:
首页 >
标签 >
TLV3511
TLV3511
TLV3511
分享
相关文章 : 1篇
浏览 : 2次
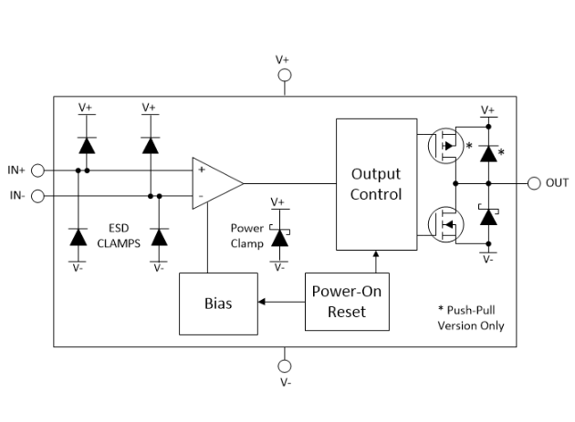
TLV3511具有轨到轨输入的 6ns 推挽比较器详情
TLV3511具有轨到轨输入的6ns推挽比较器详情一、TLV3511概述TLV3511是德州仪器(TI)推出的一款具有轨到轨输入的6ns高速推挽比较器,属于TLV351x系列。该系列比较器凭借其出色的速度功率组合、宽电源电压范围以及丰富的特性,在汽车电子、工业控制、医疗保健、通信等多个领域得到了广泛应用。TLV3511不仅具备高速响应能力......
TLV3...
比较器
2026-02-04
2
推荐产品
H6096NL
品牌:PULSE ELECTRONICS
类别:其他变压器
2959696
品牌:PHOENIX CONTACT
类别:端子-其他类
TF-009
品牌:硕方
类别:存储器连接器
S10C031J
品牌:APEM
类别:微调电位计
ASE-20.000MHZ-LC-T
品牌:ABRACON
类别:晶体
列表栏目
工业控制
6种线束设计阶段降成本方案
工业控制
基于STM32F407ZET6的智能小车...
工业控制
基于STM32F407ZET6的实验室智...
消费电子
Class-D类智能音频功放方案
工业控制
基于WeMos D1 Mini ESP8...
相关标签
深圳国际...
ICZO...
ELEX...
五一劳动...
USB控...
以太网
放假通知
EIC
分立器件
继电器
上继电器
晶扬
云母电容...
云母电容...
云母电容
XCKU...
硬件加速...
Xili...
开关三极...
1300...
74LS...
双D触发...
1
下一页
最后一页
购物指南
客户须知
交易须知
常见问题
用户服务协议
支付与配送
汇款须知
其他支付
配送须知
关税须知
售后服务
收货验货
退换货流程
服务投诉
发票须知
特色服务
免费入驻
实用工具
报关报检
关于拍明芯城
关于我们
投资者关系
联系我们
加入拍明芯城
各大手机应用商城搜索“拍明芯城”
下载客户端,随时随地买卖元器件!
广告
广告
广告
广告
产品型号索引:
A
B
C
D
E
F
G
H
I
J
K
L
M
N
O
P
Q
R
S
T
U
V
W
X
Y
Z
0
1
2
3
4
5
6
7
8
9
电子百科
网站地图
友情链接
产品词库
全部标签
文库型号
Copyright
2012- 2022 拍明芯城ICZOOM.com 版权所有 客服热线:400-693-8369 (9:00-18:00)
营业执照