2026-03
AD7606的频率特性是什么
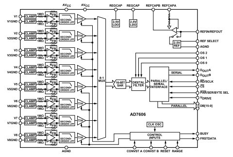
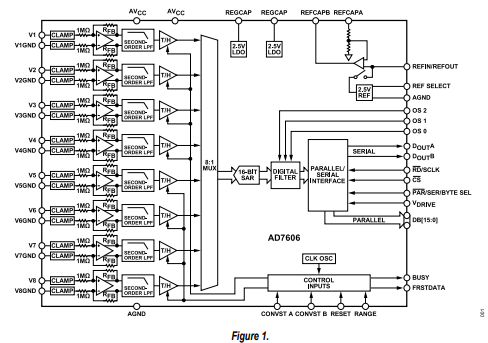
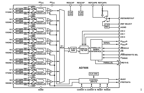
AD7606的频率特性主要体现在其抗混叠滤波器的截止频率和抗混叠抑制能力上,具体如下:抗混叠滤波器截止频率:AD7606内置的二阶抗混叠模拟滤波器的3dB截止频率为22kHz。这一特性确保了信号在采样前的频率成分得到有效控制,防止高频噪声混叠到基带信号中,从而保证了信号采集的准确性。抗混叠抑制能力:当采样速率为200kSPS时,AD760......
2026-03
AD7606的阻抗特性是什么
AD7606的阻抗特性主要体现在其模拟输入通道的设计上,这些特性对信号采集的精度和系统稳定性至关重要。以下是AD7606阻抗特性的详细说明:1. 输入阻抗数值:AD7606的所有模拟输入通道均集成1MΩ(典型值)的高输入阻抗输入缓冲器。作用:直接连接高阻抗信号源(如传感器、分压电路等),无需外部驱动运算放大器,简化电路设计。减少信号源负载......
2026-03
AD7606的范数为多少
AD7606的模拟输入电压范围为±5V或±10V,可通过RANGE引脚进行配置。具体说明如下:电压范围选择:RANGE引脚为逻辑输入引脚,高电平时(通常接5V或3.3V逻辑电平),所有模拟输入通道的电压范围为±10V;低电平时(接地),电压范围为±5V。此配置可立即生效,但需注意模拟输入范围切换后存在约80ns的建立时间要求,建议通过硬连......
2026-03
AD9208的内部时钟来源是什么
AD9208的内部时钟可通过内部时钟分频器生成,同时支持外部时钟输入作为时钟源。以下是具体说明:内部时钟分频器:AD9208具备内部时钟分频器,可将输入的高频时钟信号分频后提供给内部电路使用。这一设计简化了系统时钟架构,尤其在需要低频时钟的场景下可直接通过分频实现,无需额外配置低频时钟源。外部时钟输入:AD9208支持通过专用引脚接入外部......
2026-02
简易直流电子负载
简易直流电子负载详解一、引言在电子技术领域,对各类电源设备进行性能测试是至关重要的环节。传统的测试方法往往依赖电阻器、滑动电阻器等简单负载,但这些负载难以满足多样化的测试需求,例如无法实现恒流、恒阻、恒功率以及动态负载等复杂功能。为了解决这些问题,直流电子负载应运而生。简易直流电子负载作为一种能够吸收直流能量并对其进行精确控制和测试的电子......
2026-02
电容器的电容是由什么决定的
电容器的电容决定因素深度解析一、电容器的核心定义与物理本质电容器作为电子电路中的基础元件,其核心功能是通过电场存储电荷能量。从物理本质看,电容器由两个导体极板和中间绝缘介质构成,当极板间施加电压时,正负电荷在极板表面聚集形成电场。电容(C)的严格定义为极板所带电荷量(Q)与极板间电压(U)的比值,即C=Q/U。这一比值反映了电容器储存电荷......
2026-02
10kv高压电容补偿柜作用
10kV高压电容补偿柜的全面解析一、引言:电力系统中无功补偿的重要性在现代化工业与民用电力系统中,电能质量与效率直接关系到设备运行稳定性、生产成本及能源利用率。其中,无功功率作为电力系统中的特殊能量形式,虽不直接参与做功,却对维持电压稳定、保障设备正常运行至关重要。当电网中感性负载(如电动机、变压器)占比过高时,系统需消耗大量无功功率,导......
2026-02
10kv高压电容器规格,容量有哪些
10kV高压电容器规格与容量详解在电力系统中,10kV高压电容器作为无功补偿设备的关键元件,广泛应用于提高功率因数、改善电网质量、降低线路损耗及提升电气设备运行效率。其规格与容量的选择需综合考虑系统需求、设备性能及环境条件,以下从结构、技术参数、容量范围、应用场景及选型要点等方面展开详细介绍。一、10kV高压电容器结构与组成10kV高压电......
2026-01
STM32F103RC支持哪些外设资源
STM32F103RC基于ARM Cortex-M3内核,支持丰富的外设资源,这些资源涵盖了输入/输出、定时器、模拟转换、通信接口、系统控制与调试等多个方面,具体如下:输入/输出(GPIO)数量:STM32F103RC拥有多达80个多功能双向I/O端口(具体数量可能因封装而异)。配置:每个端口引脚可独立配置为输入(浮空、上拉、下拉)、输出......
2026-01
L293D芯片有哪些应用场景
L293D芯片凭借其双H桥驱动结构、宽电压范围、低功耗设计及多重保护机制,在多个领域实现了高效、稳定的电机控制,其应用场景具体如下:1. 机器人控制:智能小车与机械臂的核心驱动智能小车:L293D可同时驱动两个直流电机,通过控制电机转速差实现差速转向。例如,通过PWM信号调节左右电机速度,使小车完成前进、后退、转弯等动作。其双H桥结构支持......
2026-01
STM32F103CBT6的应用领域有哪些
STM32F103CBT6的应用领域STM32F103CBT6是意法半导体推出的一款基于ARM Cortex-M3内核的32位微控制器,以其高性能、低功耗和丰富的外设接口,广泛应用于各类嵌入式系统开发。以下是其主要应用领域:一、工业控制设备控制与监控:STM32F103CBT6可用于控制和监控工业设备,如传感器、执行器、电机驱动器等。其丰......
2026-01
在选择SFP-XG-LX-SM1310光模块时,应如何权衡传输距离与功耗之间的关系?
在选择SFP-XG-LX-SM1310光模块时,权衡传输距离与功耗之间的关系是一个需要综合考虑多方面因素的决策过程。以下是对这一问题的详细分析:传输距离与功耗的基本关系传输距离和功耗在光模块中往往存在一定的权衡关系。一般来说,传输距离越远,光模块需要更大的发射功率来确保信号在光纤中的稳定传输,这通常会导致功耗的增加。相反,短距离传输时,光......
2026-01
STK33562的UART接口支持哪些波特率?
STK33562的UART接口设计具备灵活性,能够支持多种常见的波特率设置,以适应不同应用场景下的通信需求。虽然具体支持的波特率范围可能因产品版本或厂商配置略有差异,但通常情况下,STK33562的UART接口会支持以下标准波特率及可能的自定义波特率:标准波特率支持1200波特:适用于低速通信场景,如一些简单的传感器数据传输或老式设备的兼......
2026-01
Bitcoin Miner ASIC - 比特币挖矿专用芯片(SHA-256算法优化)详解
比特币挖矿专用芯片(SHA-256算法优化)详解一、引言比特币作为全球首个去中心化数字货币,自诞生以来便引发了全球范围内的广泛关注与深入研究。其独特的去中心化架构和基于工作量证明(PoW)的共识机制,构建了一个安全、透明且不可篡改的分布式账本系统。在这个系统中,比特币挖矿扮演着至关重要的角色,它不仅是新比特币生成的核心途径,更是维护整个网......
2026-01
Intel Stratix 10 GX - 高性能FPGA(2.8M逻辑单元)详解
Intel Stratix 10 GX:高性能FPGA(2.8M逻辑单元)深度解析一、引言:FPGA在高性能计算领域的崛起在数字化浪潮席卷全球的今天,高性能计算需求呈现指数级增长。从5G通信基站的数据处理,到人工智能模型的训练推理;从云计算中心的大规模并行计算,到国防军工领域的实时信号处理,各行各业对计算性能、功耗效率和系统灵活性的要求愈......

产品分类




2012- 2022 拍明芯城ICZOOM.com 版权所有 客服热线:400-693-8369 (9:00-18:00)